Қосқыштың жаңа құбырлары

2025-11-14

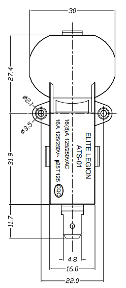
Қосқыштың ұшы - қауіпсіз және маңызды қауіпсіздікті қорғау құралы. Оның болуы күнделікті қолданудағы әр түрлі тік құрылғылардың пайдалану қауіпсіздігін едәуір жақсартады.


Біздің клиенттеріміздің өсіп келе жатқан талаптарын қанағаттандыру үшін біз жаңа құбырлы ұшымызды ауыстырамыз. Бұл модель біздің алдыңғы дизайндарымыздан ерекшеленеді, бұл тұғырға арналған жанкүйерлер, мұнара жанкүйерлері, мұнара жанкүйерлері және ұқсас техникалар сияқты құбырлы құрылымдарға интеграциялануға өте ыңғайлы.

  

Жабдықты кездейсоқ немесе шамадан тыс қыстырған жағдайда, бұл қосқыш автоматты түрде қуат көзін өшіреді. Бұл функция өрт, электр тогының соғуы және жабдыққа зақым келуінің ықтимал қауіптерінің алдын алу үшін қажет.


X
We use cookies to offer you a better browsing experience, analyze site traffic and personalize content. By using this site, you agree to our use of cookies. Privacy Policy
Reject Accept